疆能电气有限公司

户内高压真空断路器

VS1-系列-手车式高压真空断路器-操作机构

VS1-系列-手车式高压真空断路器-操作机构

VS1-系列-手车式高压真空断路器-操作机构

品牌:疆能电气
类别:户内高压真空断路器

立即咨询立即咨询
热线电话 400-600-2722
概述
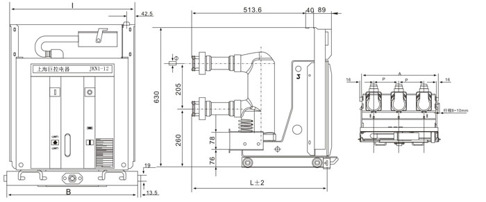
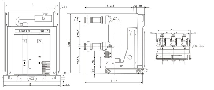
JKN1型户内中压固封式真空断路器是本公司自行研制、开发的新一代真空断路器、JKN1真空断路器适用在以空气为绝缘的户内式开关,用于交流50Hz、额定电压12KV及以下的电网中起控制和保护作用,JKN1真空断路器在频繁操作和需要开断路器电流的场合下具有极为优良的性能、完全满足自动合闸的要求并具有高的可靠操作与使用寿命。
JKN1在开关柜内的安装形式即可以是固定式,也可以是安装于手车,JKN1可安装于KVN28、KYN96型开关柜或配套于其它铠装中置柜,可提供额定电流为630A、1250A、1600A固封极柱真空断路器,可安装于650mm,800mm,1000mm柜宽的开关柜。
JKN1固封式真空断器符合GB、IEC和DL标准和规范,GB/T11022、IEC60694高压开关设备和控制设备标准的共同技术条件:GB1984、DL403、JB3855交流高压断路器。

联系电话

13868889777

地址:上海市浦东新区万祥镇宏祥北路83弄1-42号20幢118室

手机:13868889777

网址:Http://www.jiangneng.co

COPYRIGHT © 2021 上海疆能电气有限公司 VS1 ZW32 ZW20 FZN25 KYN28 HXGN15 ALL RIGHTS RESERVED 版权所有 浙ICP备12005340号-1 houtai