疆能电气有限公司

户外高压真空断路器

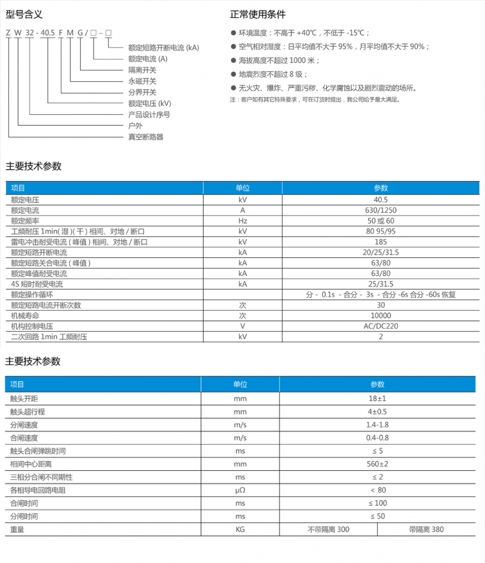
(JKW)ZW32-40.5系列户外小型化真空断路器

(JKW)ZW32-40.5系列户外小型化真空断路器 (JKW)ZW32-40.5系列户外小型化真空断路器

(JKW)ZW32-40.5系列户外小型化真空断路器

品牌:疆能电气
类别:户外高压真空断路器

立即咨询立即咨询
热线电话 400-600-2722
(JKW)ZW32-40.5系列户外小型化真空断路器 主要由集成固封极柱、电流互感器、操动机构及箱体组成。可加装隔离开关,该型号断路器为小型化设计,外壳采用优质钢箱体。电流互感器可根据用户需要选择。
该装置主要应用于中压架空线电网,作为分、合负荷电流、过载电流、短路电流之用。

联系电话

13868889777

地址:上海市浦东新区万祥镇宏祥北路83弄1-42号20幢118室

手机:13868889777

网址:Http://www.jiangneng.co

COPYRIGHT © 2021 上海疆能电气有限公司 VS1 ZW32 ZW20 FZN25 KYN28 HXGN15 ALL RIGHTS RESERVED 版权所有 浙ICP备12005340号-1 houtai