疆能电气有限公司

户外高压真空断路器

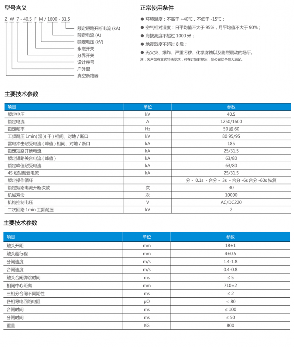
(JKW)ZW7-40.5系列户外小型化真空断路器

(JKW)ZW7-40.5系列户外小型化真空断路器

(JKW)ZW7-40.5系列户外小型化真空断路器

品牌:疆能电气
类别:户外高压真空断路器

立即咨询立即咨询
热线电话 400-600-2722
(JKW)ZW7-40.5系列户外小型化真空断路器采用了独特设计的分体式极柱和高可靠性的弹簧操作机构或永磁操作机构。该装置主要应用于中压架空线电网,作为分、合负荷电流、过载电流、短路电流之用。

联系电话

13868889777

地址:上海市浦东新区万祥镇宏祥北路83弄1-42号20幢118室

手机:13868889777

网址:Http://www.jiangneng.co

COPYRIGHT © 2021 上海疆能电气有限公司 VS1 ZW32 ZW20 FZN25 KYN28 HXGN15 ALL RIGHTS RESERVED 版权所有 浙ICP备12005340号-1 houtai