疆能电气有限公司

高压接地开关

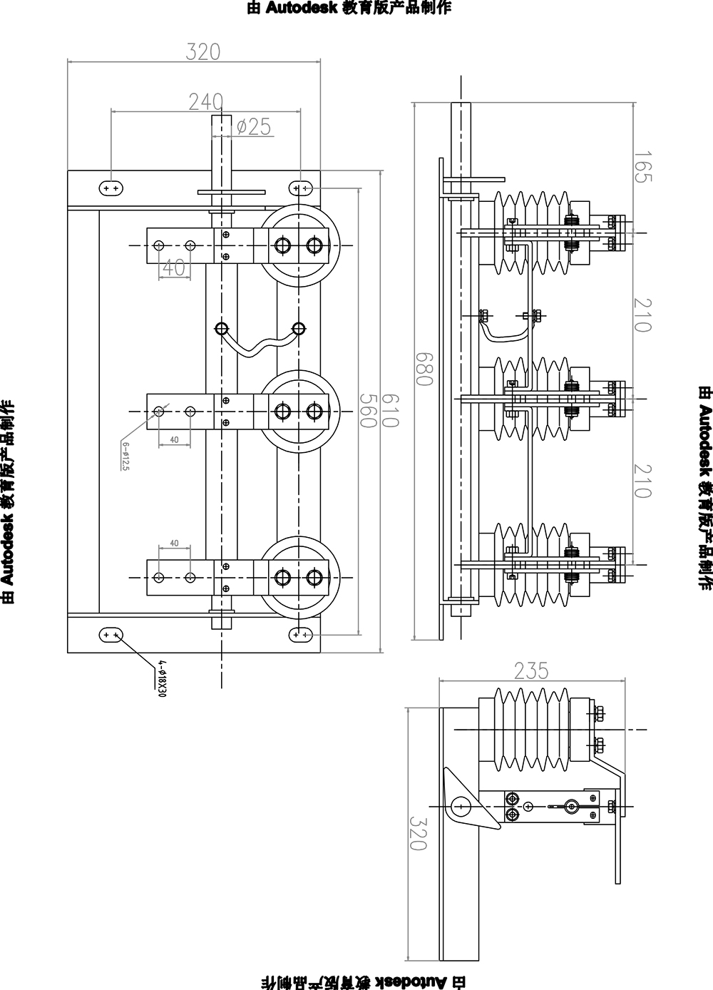
JN2-10型户内高压接地开关

JN2-10型户内高压接地开关 JN2-10型户内高压接地开关

JN2-10型户内高压接地开关

品牌:疆能电气
类别:高压接地开关

立即咨询立即咨询
热线电话 400-600-2722
一、产品介绍 JN2-10型户内高压接地开关,是配用于12kV户内交流金属铠装移开式金属封闭开关设备及其它高压开关设备的主要元件,也可单独使用。作为在12kV及以下的交流50Hz电力系统中接地保护之用。具有关合短路电流能力。结构合理、体积小、操作灵活、易安装调整。 二、 产品特点 JN2-10型户内高压接地开关设计科学、新颖、独特、合理;技术性能先进、可靠;采用分流磁锁原理,通电时自动产生压力, 保证接触良好;不需要接角压力弹簧、操作力小。可以与名种型号高压柜配套使用,也可以作为高压电器设备检修时接地保护。

联系电话

13868889777

地址:上海市浦东新区万祥镇宏祥北路83弄1-42号20幢118室

手机:13868889777

网址:Http://www.jiangneng.co

COPYRIGHT © 2021 上海疆能电气有限公司 VS1 ZW32 ZW20 FZN25 KYN28 HXGN15 ALL RIGHTS RESERVED 版权所有 浙ICP备12005340号-1 houtai